中文版
|
ENGLISH
051986897889
首页
产品中心
调心滚子轴承
满装滚子轴承
角接触球轴承
深沟球轴承
圆锥滚子轴承
调心球轴承
推力球轴承
推力滚子轴承
圆柱滚子轴承
品牌中心
关于欧迈
新闻中心
联系我们
×
在本网站内搜索
产品中心
当前位置:
首页
>
产品中心
>
推力滚子轴承
调心滚子轴承
满装滚子轴承
角接触球轴承
深沟球轴承
圆锥滚子轴承
调心球轴承
推力球轴承
推力滚子轴承
圆柱滚子轴承
推力滚子轴承
调心滚子轴承
满装滚子轴承
角接触球轴承
深沟球轴承
圆锥滚子轴承
调心球轴承
推力球轴承
推力滚子轴承
圆柱滚子轴承
推力滚子轴承
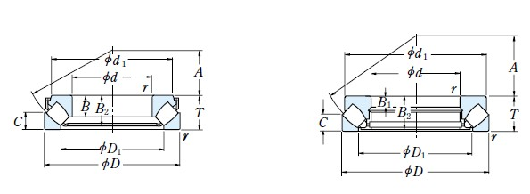
29426
型号
29426
内径
130mm
外径
270mm
厚度
85mm
动载荷
1700 KN
静载荷
4350 KN
极限速度
1700 r/min
重量
21 KG
051986897889
< 上一篇
29422
下一篇 >
29436
hot-sale product
热销产品
深沟球轴承
61952
深沟球轴承
6220
满装滚子轴承
SL14918
圆柱滚子轴承
NJ313-E -TVP2